分类:连接器产品
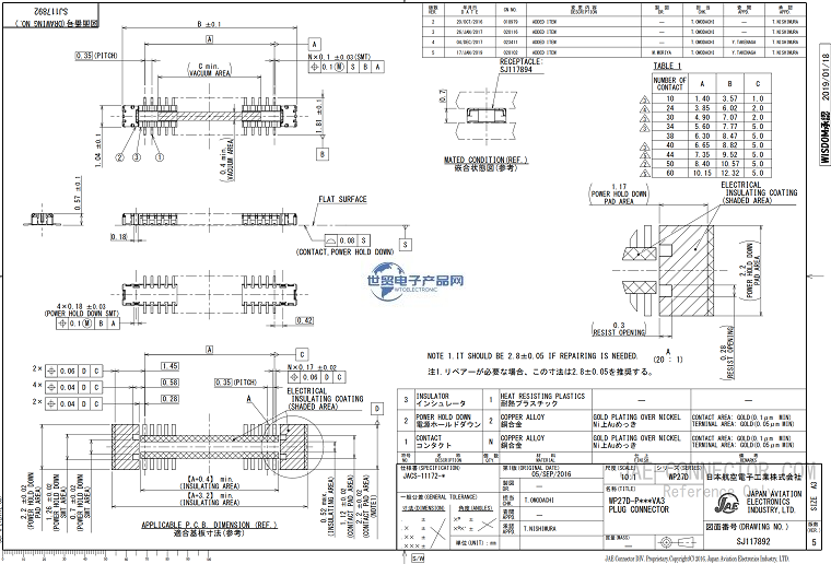
JAE|JAE连接器|日本航空电子|WP27D-P030VA3-R15000|0.35mm间距板对板(FPC)连接器产品是一款:0.35毫米间距的薄型堆叠型板对板(FPC)连接器,具有特殊的压紧功能,可用作电源端子,非常适合在智能手机等轻薄紧凑的信息通信设备中进行高密度安装。该产品的结构增加了对配合面的保护,以防止在连接器错位时施加力而损坏绝缘体。此外,压紧装置可用作高电流端子。 WP27D系列减少了标准连接器通常所需的端子数量,从而节省了电路板空间并提高了设计灵活性。其主要特点是:0.35毫米间距,2排,0.7毫米堆垛高度。 两个与3.0 A兼容的电源端子。 压紧结构增加了对配合面的保护,防止绝缘体损坏。(装甲) 两点接触设计,可抵抗扭曲应力。 提高了客户的可操作性,具有清晰的点击感。 接触结构确保高耐磨性和高接触可靠性。 无铅的。(触点上的镍阻挡层防止焊料芯吸。) 信号触点支持10 Gbps传输速率。 支持MIPI、USB3.1第二代和PCIe第三代传输。【恒大电子产品网提供兼容JAE|JAE连接器|WP27D-P030VA3-R15000|BTB连接器替代品】。

------------------------------------------------------------------------------------------------
1、JAE|JAE连接器|日本航空电子|WP27D-P030VA3-R15000|BTB连接器产品相关属性描述与规格:
| 产品属性: | 产品一般规格: | ||
| 类型 | 描述 | 针数 | 10, 24, 30, 34, 38, 40, 50, 54, 60 针 |
| 类别 | 连接器,互连器件 | 间距 | 0.35 mm, 2 列 |
| 矩形连接器 | 额定电流 | 信号端子:AC, DC 各0.3A/1每针, | |
| 阵列,边缘型,夹层式(板对板) | 電源端子:AC,DC各3.0A/1每针 | ||
| 原制造商 | JAE Electronics | 额定电压 | AC, DC 50 V |
| 系列 | WP27D | 接触电阻 | 信号端子:70 mΩ以下 (初期), |
| 包装 | 卷带(TR) | 電源端子:20 mΩ以下 (初期) | |
| 剪切带(CT) | 绝缘电阻 | 100 MΩ 以上(初期) | |
| Digi-Reel® 得捷定制卷带 | 耐电压 | AC 250 Vr.m.s. 1分钟 | |
| Product Status | 在售 | 综合插入力 | 1.5N x (n+4) 以下(n:芯数) |
| 连接器类型 | 插头,外罩触点 | 综合拔出力 | 0.15N x n 以上 (n:芯数) |
| 针位数 | 30 | 插拔寿命 | 30 次 |
| 间距 | 0.014"(0.35mm) | 使用温度范围 | -40 ℃ ~ +85 ℃ |
| 排数 | 2 | ||
| 安装类型 | 表面贴装型 | ||
| 特性 | 固定焊尾 | ||
| 触头表面处理 | 镀金 | ||
| 触头表面处理厚度 | 4.00µin(0.100µm) | ||
| 接合堆叠高度 | 0.7mm | ||
| 板上高度 | 0.022"(0.57mm) | ||
| 基本产品编号 | WP27D-P0 | ||
------------------------------------------------------------------------------------------------
2、